Arduino勉強会

2015/10/17からのアクセス回数 6457

LEDイルミネーション

トランジスタ技術2015年10月号(トラ技2015/10と書きます)で紹介されている 「手を叩くと光り出すフルディスクリートLEDイルミネーション」 を作ってみました。

部品もCQ出版で購入できるので、地方に住む私でも簡単に実験ができました。

board.png

実際に動かしている動画が以下に公開しています。

回路

全体の回路をトラ技2015/10の図2から引用します。

sch.png

トランジスタの基礎

トラ技2015/10の特集記事はとても良くできていて、回路の抵抗値がどのようにして 計算されたのか実験とLTSpiceを使ったシミュレーションで丁寧に説明しています。

基本は、以下の3つです。

これまで、何の疑問もなく\(V_{BE}\)は0.6と覚えていましたが、 0.6V近辺で頭打ちになる性質を使って、電圧の計算がとても簡単にできることを再確認しました。

トランジスタの\(V_{BE}\)を測る回路をトラ技の図7から引用します。

fig7.png

この回路をブレッドボードに以下の様に組み立て、Arduinoのオシロスコープと Arduinoを使ったノコギリ波で試してみました。 *1

Vbe_brd.png

Arduino勉強会/08-オシロスコープを使ってみるで紹介したArduinoのオシロスコープで、 ノコギリ波と\(V_{BE}\)を測ってみました。電圧は1メモリ1V、横軸の時間は1メモリ10m秒です。

上段のノコギリ波は、2.5Vまで直線上に上昇していますが、 下段の\(V_{BE}\)は、0.7V近辺で横ばいになっています。

V_BE_osc.png

このようにArduinoオシロスコープを使うと簡単にトランジスタの実験が できます。

マイク・アンプ回路

マイク・アンプの回路を図2から抜粋します。

mic_amp_sch.png

マイクの回路(左の緑の矩形)は、データシートを元にされたと記事にありました。 *2

右の矩形がアンプで、 電子工作/もう一度トランジスタでも紹介したエミッタフォロワーの増幅回路です。

これをブレッドボードで実装しました。

mic_amp_brd.png

Arduinoのオシロスコープで手を叩いたときのA点とB点の波形を取り込んでみました。

上がA点で1メモリが0.5V、下がB点で1メモリが2.0Vで、 時間軸は1メモリ10m秒で表示しています。

th_mic_amp_oci.jpg

CQ出版からダウンロードしたファイルに付属していた、LTSpiceのモデルを使ってアンプの増幅を計算してみました。

以下の回路で、シミュレーションを実施しました。

LTSpice_Amp_sch.png

VinとVoutは、以下の様に計算され、Arduinoのオシロスコープで測定されたのと同様の増幅がみられました。

LTSpice_Amp_Graph.png

双安定マルチバイブレータ

双安定マルチバイブレータにスイッチ付けた回路をブレッドボードに組みました。

th_stable_brd.jpg

Arduinoのオシロスコープで黒と赤のスイッチで反転している様子が確認できました。 *3

これは、デジタルのフリップフロップ回路と同じ動作をしています。

th_stable_osc.jpg

これを以下のLTspiceのモデル*4で シミュレーションしてみました。

BistableMultiVibrator_sch.png

Arduinoオシロスコープの測定範囲が0.0〜5.0Vのため、以下の様なマイナスのひげは みることができませんでした。

BistableMultiVibrator_Graph.png

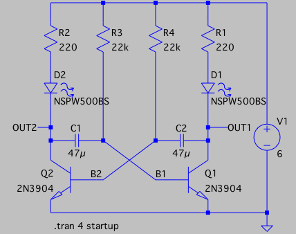
無安定マルチバイブレータ

最後に、無安定マルチバイブレータの出力波形(OUT1, OUT2)をArduinoオシロスコープでみてみます。

一方が0Vになった瞬間からコンデンサーに電荷が蓄えられる様子が確認できます。

th_aStable_osc.jpg

LTspiceのシミュレーション

LTspiceで以下の無安定マルチバイブレータ回路をシミュレーションします。

aStable_sch.png

シミュレーションの出力は以下の様になります。

aStable_Graph.png

Arduinoオシロスコープの出力は、以下の様になっています。

Arduinoオシロスコープの測定範囲が0.0〜5.0Vのため、0Vからの出力になっていますが、

同様の波形が見られます。

th_aStable_Ve_osc.jpg

とても簡単に作れるArduinoオシロスコープでも、トランジスタの実験には 十分使えることが分かりました。

コメント

選択肢 投票
おもしろかった 2  
そうでもない 0  
わかりずらい 0  

皆様のご意見、ご希望をお待ちしております。勉強会で分からなかったこと等、お気軽に問い合わせて下さい。

スパム防止に画像の文字列も入力してください。


(Input image string)

*1 Arduinoのスケッチは、arduino/DACを試すを参考にしてください。今回は4096ではなく、2048でループを回しました。
*2 恥ずかしいですが、今回コンデンサーマイクは電圧をかけないと使えないことを知りました。
*3 このスナップ写真を撮るのに苦労しました
*4 CQ出版からダウンロードしたBistableMultiVibrator1.asc

トップ   新規 一覧 単語検索 最終更新   ヘルプ   最終更新のRSS
SmartDoc