KiCAD

2016/08/07からのアクセス回数 6123

トラ技2016/07を参考に

トラ技2016/07号のビデオを参考に自分でフットプリントを作ってみました。 慣れると自分で作った方が、既存のフットプリントを探すよりも時間が少なくなりそうです。

秋月で販売されているチップに関しては、トラ技の2016/07の付録で生成されたフットプリントを使うと便利です。

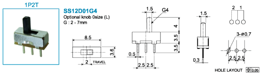
小型スライドスイッチ

小型スライドスイッチ(SS12D01G4)をトラ技の動画を元に作成してみます。

SS12D01G4.png

データシートから引用します。

DS_SS12D01G4.png

フットプリントエディタの作業

ライブラリの設定

新規にプロジェクトのモジュールライブラリをセットする場合には、

パッドの配置

pad_setting.png

外形の描画

user_grid.png

部品の保存

作成した部品をライブラリに保存する。

save_footprint.png

コメント

選択肢 投票
おもしろかった 0  
そうでもない 0  
わかりずらい 3  

皆様のご意見、ご希望をお待ちしております。


(Input image string)

トップ   新規 一覧 単語検索 最終更新   ヘルプ   最終更新のRSS
SmartDoc